张家港广峰自动化设备有限公司
设为首页
|
加入收藏
|
联系我们
网站首页
关于我们
产品展示
新闻资讯
技术文章
产品视频
资质证书
综合服务
联系我们
公司简介
发展历程
荣誉资质
企业文化
单相数显仪表
三相数显仪表
多功能数显仪表
固态继电器
信号隔离器
电力调整器
台湾阳明
服务理念
合作伙伴
人才战略
产品验证
联系方式
客户留言
电子地图
<
<
·
单相数显仪表
·
ARH系列单相电流电压表长款
·
三相数显仪表
·
多功能数显仪表
·
固态继电器
·
电力调整器
·
信号隔离器
·
台湾阳明
·
温控仪表
·
安全光栅
·
SCR功率调整器
·
光电开关
·
光纤放大器、火花消除器、长度发讯器
·
控制器、电子计数器
·
欠逆相保护器、流量计
·
计时器
·
固态继电器
·
接近开关
张家港广峰自动化设备有限公司
直 线:18952443976 15850390417
传真:0512-58691462
联系人:章广超
Q Q:2290462671(售前咨询)
手 机:18952443976(7*24H)
信 箱:2290462671@qq.com
址 址:张家港市杨舍镇香港城1号楼519室
厂址:广东省东莞市常平镇常达工业园区
当前位置:
首页
>> 产品展示 >>
光电开关
光电开关
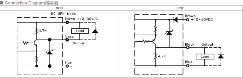
U型光电开关传感器
发布时间:2020年11月01日 | 类别:
光电开关
| 点击次数:2092 次
产品简介
技术参数
产品选型
外形尺寸
资料下载
SU02X系列光电开关详细资料下载地址
相关产品
E2系列小型光电传…
MS系列小型光电传…
K2系列光电传感器…
M18-C系列光电传感…
我要订购
姓名:
先生
女士
电话:
备注:
公司首页
|
关于广峰
|
新闻动态
|
技术文章
|
产品中心
|
代理品牌
|
联系我们
技术支持:
苏州建站
© 2012 - 2013 张家港市广峰机电 All rights reserved 苏ICP备12057839
版权所有:张家港市广峰机电